
Плазменные двигатели: миф и реальность
Проклятие Циолковского
Экстремально сложная проблема создания космического аппарата, способного за разумное время (сравнимое с человеческой жизнью) преодолеть межзвездные расстояния, обусловлена парадигмой традиционной ракеты. Которая несет на борту запас топлива и, как следствие, расходует на его разгон почти всю извлекаемую из топлива энергию! Математическим выражением этого проклятия является т.н. формула Циолковского, вытекающая из закона сохранения импульса:
Здесь не учитываются затраты топлива на подъем с Земли и выход на орбиту, где начинается разгон до крейсерской скорости. Однако очевидно, что прежде чем отправиться в далекое путешествие, корабль будет собран из модулей на околоземной или окололунной орбите.
На сегодняшний день отсутствует ясное представление о том, как именно космические аппараты когда-нибудь преодолеют рубеж скорости в 10 000 км/cек. Это — примерно 130 лет полета до ближайшей звездной системы Альфы Центавра. Нет смысла рассматривать бесплодные фантазии вроде фотонного звездолета. Нелепа сама идея использовать для создания тяги фотоны с их ничтожным импульсом ! В качестве реальной возможности рассматривается двигатель, использующий энергию термоядерного синтеза. Однако предлагаемые методы синтеза в малом масштабе, сводящиеся к поджиганию таблеток из дейтерия + гелия-3 лучами лазеров или пучками ионов/электронов, едва ли когда-нибудь будут реализованы на борту космического судна.
Надежды на солнечные паруса безнадежны, т.к. по мере удаления от Солнца их тяга стремится к нулю. При площади паруса в 1000 кв. км и фантастической массе аппарата с парусом в 1 тонну, через год будет пройдено 107.7 млрд. км, а скорость парусника достигнет 1714 км/сек. И это практический предел, поскольку даже через 700 лет полета, когда аппарат достигнет системы Альфа-Центавра, скорость не превысит 1715 км/сек. Полубезумные проекты парусов размером с Европу, которые приводятся в движение миллионами лазеров с Луны, наглядно демонстрируют бессилие идеи космического парусника. Хотя для полетов в Солнечной системе, не слишком далеко от Солнца, она имеет определенную перспективу.
Среди испытанных конструкций, способных дать существенную тягу, вне конкуренции ядерные двигатели с теплоносителем (ЯРД). В СССР был разработан образец такой установки — РД0410. Скорость истечения рабочего тела из сопла, т.е. удельный импульс ЯРД может составлять 9 — 10 км/сек. Это более, чем вдвое превышает показатели любых химических ракетных двигателей. При разумном ограничении стартовой массы в 10 000 тонн и скромной нетто-массе 100 т (без учета топлива и рабочего тела), предельная скорость корабля
\(V=10\ln(10000/100)=45.5\) км/сек.
Отлично для полетов в Солнечной системе, но не годится для путешествия в систему Альфа Центавра, которое продлилось бы около 29 000 лет ! Двухступенчатая схема даст вдвое большую скорость, но стартовая масса вырастет на порядок. Для нашего корабля с ЯРД и нетто-массой 100 т, который разогнался до скорости 200 км/сек, стартовая масса приблизилась бы к 50 миллиардам тонн ! Скорости \(V=100\) км/сек отвечает не столь кошмарный, но тоже впечатляющий запас рабочего тела, который превышает 2 миллиона тонн.
Таким образом 100 км/сек — это трудно достижимый, практический предел для ракет с ЯРД, по мере приближения к которому начинается гигантомания. Из формулы Циолковского вытекает, на первый взгляд, простое решение проблемы. Нужно на порядки увеличить удельный импульс \(v_0\), и тогда не придется экспоненциально наращивать расход рабочего тела. Для этого принципиально не годится ЯРД — в связи с тем, что рабочее тело нагревается в ядерном реакторе. Необходимую скорость истечения струи может обеспечить т.н. плазменный двигатель. Данный термин можно отнести к большому семейству устройств, различным образом оперирующих с плазмой, включая ионные двигатели.
Классические плазма-моторы
Любой ракетный двигатель выбрасывает из сопла слабо ионизированную плазму, но плазменным, ионным, электрореактивным обычно называется лишь тот, который ускоряет плазму за счет электромагнитных сил, действующих на заряженные частицы. Однако сделать это очень сложно, поскольку любое электрическое поле, ускоряющее заряды в плазме, придаст равные по модулю суммарные импульсы ионам и электронам. В самом деле, изменение импульса заряда \(q\) за время \(dt\) равно \(Fdt\), где \(F=qE\) – сила, действующая на заряд (в поле с напряженностью \(E\)). Поскольку плазма в целом электрически нейтральна, сумма всех положительных зарядов \(Q\) равна по модулю сумме отрицательных \(-Q\). За бесконечно малое время \(dt\) вся масса положительных ионов получит импульс \(QEdt\). Такой же по величине импульс, направленный в обратную сторону, получит вся масса отрицательных зарядов. Поэтому суммарный импульс равен нулю и, следовательно, тяги не возникнет.
Таким образом, для электрического разгона плазмы необходимо как-то разделить разноименные заряды, чтобы разогнать заряды одного знака, в то время как заряды другого знака выведены из зоны действия ускоряющего поля. Однако эффективно разделить заряды крайне сложно! Этому препятствуют мощные кулоновские силы притяжения, возникающие между разноименно заряженными сгустками плазмы и немедленно восстанавливающие электрическое равновесие. Применяемые в существующих плазменных двигателях методы разделения положительных ионов с электронами используют электростатическое или магнитное поле. В первом случае двигатель традиционно называется ионным, а во втором — плазменным.
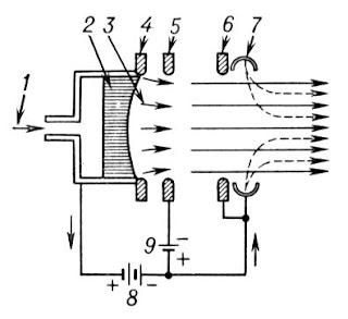
![]() |
|
Схема электростатического ионного двигателя. |
1 — подвод рабочего тела; 2 — ионизатор; 3 — пучок ионов; 4 — фокусирующий электрод; 5 — ускоряющий электрод; 6 — блокирующий электрод; 7 — нейтрализатор; 8 — основной источник энергии; 9 — вспомогательный источник энергии.
Мощность такого двигателя равна \(F\cdot v_0\) = 200 000 Ватт. Реально работающие образцы имеют на порядок меньше. Чтобы сократить время разгона до крейсерской скорости \(V\), т.е., увеличить тягу, следует повысить потребляемую электрическую мощность и, соответственно, габариты двигателя. Предположим, что таким образом мы увеличили тягу в 1 000 раз и сократили время разгона до разумных 3.2 года. Неплохо для скорости \(V = 1 000\) км/cек, хотя до Альфы Центавра пришлось бы лететь еще 1 300 лет. Однако потребляемая мощность составит сотни мегаватт, что соответствует мощности энергоблока средней АЭС. Это означает, что не существует разумных источников энергии для космических ионных двигателей с тягой хотя бы в десятки килограмм.
Еще в 60-х годах А.И. Морозов предложил свой концепт плазменного двигателя, который был успешно испытан в 70-х. Здесь заряды разделяются радиальным магнитным полем, которое прикладывается в зоне разгона положительных ионов продольным электрическим полем. Значительно более легкие электроны, под действием сил Лоренца, спирально навиваются на силовые линии магнитного поля и как бы «выдергиваются» магнитным полем из плазмы. При этом массивные ионы по инерции проскакивают магнитное поле, ускоряясь электрическим в продольном направлении. Механизм нейтрализации работает также, как в ионном двигателе. Данная схема, имея перед ним определенные преимущества, не позволяет добиться существенно большей тяги при сравнимой мощности. Магнитный метод разделения зарядов далек от эффективного решения проблемы и не позволяет создавать плазменные двигатели, которые могли бы быть использованы для межзвездных путешествий.
Чтобы убедиться в этом предположим, что 1 грамм ионов удалось разделить с электронами и последние скопились на выходе из сопла, навиваясь на силовые линии поперечного магнитного поля с индукцией \(B \sim 10 000\) Тс. Тогда этот избыточный отрицательный заряд составит примерно -95 000 Кл. Легко проверить, что соответствующие «избыточные» ионы с общей массой 1 г за несколько фемтосекунд разгонятся до ~10 000 км/сек. При этом электроны избыточного заряда не приобретут равного импульса навстречу ионам, что нивелировало бы реактивный эффект, т.к. за магнитное поле завернет эти электроны на круговые траектории с радиусами порядка 1 метр. Таким образом, для придачи аппарату тягового импульса 10 000 кг ⋅ м / сек = 0.001 кг ⋅ 10 000 000 м/cек придется в объеме нескольких кубометров создать сверхмощное магнитное поле порядка 10 000 Тесла. Такие экстремальные поля создаются только взрывомагнитными генераторами А.Д. Сахарова и их современными вариациями, причем они существуют лишь микросекунды и в объемах, измеряемых кубическими дециметрами. При этом энергия магнитного поля будет иметь порядок 10 ТераДжоулей. С учетом того, что кумулятивные генераторы способны преобразовать до 20 – 30 % энергии химического взрыва, для придания космическому аппарату тягового импульса ~10 000 кг⋅м/сек пришлось бы эффективно утилизировать энергию ядерного взрыва мощностью ~10 Кт.
При массе корабля в 100 т потребуется миллион таких импульсов, чтобы увеличить его скорость всего на 100 км/cек. И то лишь при условии, что ядерные заряды не пришлось везти на борту и они были заблаговременно размещены в космосе на участке разгона. Но миллион ядерных бомб — это несколько тысяч тонн плутония, которого за весь период существования ядерного оружия было произведено немногим более 300 тонн. Таким образом, имея лишь плазменным мотор с магнитным разделением зарядов, о полете к звездам лучше забыть.
Что делать с плазмой ?
По-видимому, проблема эффективного разделения зарядов в плазменных двигателях принципиально неразрешима. Существуют передовые проекты плазменных двигателей с мощностью 5 МВт и удельным импульсом 1 000 км/cек, но их тяга была бы равна 5 000 000 Вт / 1 000 000 м/сек = 5 Н, поэтому проблема сокращения времени разгона остается непреодолимой. Не говоря уже о том, что в космосе трудно добыть мегаватты потребляемой электрической мощности.
Понимая эти проблемы, разработчики плазменных моторов ищут другие подходы. Заметный энтузиазм вызывает новый концепт VASIMR, который в лаборатории показывает лучшие среди плазменных движков результаты: удельный импульс 50 км/cек, тяга 6 ньютонов и КПД 60 — 70 % (тест VX-200). Строго говоря VASIMR даже не является плазменным двигателем, потому что он генерирует высокотемпературную плазму, которая разгоняется в сопле Лаваля — за счет газодинамических эффектов и без электричества.
Через трубку 1 под давлением подается газ, который сначала разогревается и слегка ионизируется микроволновым излучением от 3. Затем поток плазмы, изолированный от стенок магнитным полем катушек 4, дополнительно разогревается антенной 5, которая излучает радиоволны на циклотронной частоте (это частота винтового вращения электрона вокруг силовой линии продольного магнитного поля) . Такой резонансный нагрев повышает температуру плазмы до миллионов градусов, после чего она истекает в магнитное сопло Лаваля 6. Последнее предохраняет стенки от контакта с горячей плазмой и преобразовывает энергию теплового движения ионов в энергию поступательного движения газовой струи. В сущности VASIMR позволяет получить очень горячую, высоко ионизированную плазму посредством микроволнового нагрева. Ускорение плазмы происходит вполне аналогично тому, как ускоряется газовая струя на выходе из обычного ракетного двигателя. Сжиганием химического топлива такую температуру плазмы получить нельзя, но за счет ядерного взрыва это сделать можно. Результаты VASIMR демонстрируют некоторый прогресс, но они по-прежнему бесконечно далеки от потребностей межзвездных экспедиций и явно не имеют перспектив развития в этом направлении. Что касается удельного импульса, то VASIMR является шагом назад.
Есть еще один, сравнительно новый концепт плазменного двигателя — MPD thruster, с которым связывают большие надежды. Идея заключается в следующем. Создается такой плазменный разряд между анодом и катодом, чтобы соответствующий электрический ток \(\vec j\) индуцировал кольцевое магнитное поле \(\vec B\). Силой Лоренца \([\vec j, \vec B]\) поле действует на движущиеся заряды тока \(\vec j\), отклоняя часть из них в продольном направлении. Так возникает истекающий «вправо» сгусток плазмы, который создает тяговый толчок. Двигатель работает в импульсном режиме, т.к. необходимы короткие паузы между разрядам для скапливания зарядов на электродах.
MPD — thruster не нуждается в разделении разноименных зарядов, потому что в разрядном токе они движутся во встречных направлениях и, соответственно, силы Лоренца имеют одинаковые направления. Теоретически этот концепт имеет выдающиеся показатели на фоне других плазменных моторов, потому что может развивать килограммы тяги. Однако магнитное поле в принципе не способно разгонять электрические заряды, потому что сила Лоренца действует перпендикулярно скорости заряда и, стало быть, не меняет его кинетическую энергию. MPD — thruster лишь отклоняет направление движения зарядов так, что плазма вылетает наружу в продольном направлении. Но для того, чтобы ток между анодом и катодом был достаточно плотным для создания тяги, придется затратить много электрической энергии. Во всяком случае, потребляемая электрическая мощность не уступает мощности плазменной струи. При удельном импульсе ~1 000 км/сек и тяге в 100 кг потребляемая мощность составит сотни мегаватт, что практически невозможно генерировать в космосе. Но даже при таких, возможных пока лишь теоретически показателях MPD — thruster-а, оснащенный им корабль с нетто-массой 100 т разгонится до 10 000 км/сек за 317 лет (!) при нереальной стартовой массе 2 200 000 тонн. Кроме того, невозможно вообразить себе расход миллионов тонн газа в двигателе, пропускающем через него мощные электрические разряды. Очевидно, что никакие электроды не выдержат таких тепловых и химических нагрузок.

Принципиальная Схема MPD — thruster,
Таким образом ясно, что ни один из экспериментально проверенных или теоретически просчитанных плазменных двигателей не способен доставить космический корабль к ближайшим звездам хотя бы за время человеческой жизни. И этот разрыв, по-видимому, является фатально непреодолимым, так что плазменные двигатели звездолетов навсегда останутся в сфере научной фантастики. Однако плазменные моторы имеют важные применения в качестве маневровых, корректирующих орбиты и т.п. вспомогательных двигателей космических аппаратов, поэтому усилия по их разработке вполне оправданы. Что касается ядерных ракетных двигателей, то они также не годятся для межзвездных полетов, но прекрасно подходят для межпланетных путешествий в Солнечной системе. При этом ядерный импульсный двигатель, утилизирующий энергию ядерных взрывов, возможно имеет потенциал развития в контексте отправки автоматического зонда в одну из ближайших звездных систем.
Дополнение к статье, сделанное 5 января 2018
Если согласиться со временем ожидания прибытия зонда к Альфе-Центавра в 1 000 — 1 500 лет, то ионный двигатель может оказаться подходящим. Хотя такой проект технически крайне сложен, он выглядит осуществимым при сегодняшнем уровне науки и технологий.
Предположим, что удалось добиться тяги ионного двигателя в \(F=10\) Н при удельном импульсе \(u=1 000\) км/сек. Такой мотор был бы очень хорош! Их может быть и несколько, объединенных в двигательную установку с общей тягой 10 Н (1 кгс приблизительно).
Согласно формуле Циолковского, автоматический зонд с разумной нетто-массой 1 000 тонн, израсходовав 1 750 тонн рабочего тела (пусть это будет газ — неон с атомной массой 20), разгонится до почти 1 100 км/сек. Тогда время полета до Альфы-Центавра составит 1 200 — 1 250 лет с учетом разгона. Впрочем, нужно учесть еще скорость покидания Солнечной системы около 42 км/сек под углом углом 61 градус к плоскости эклиптики https://extremal-mechanics.org/wp-content/uploads/2012/11/LongShot.pdf (приблизительно 15 км/сек из этой скорости даст Земля — эффект пращи). Затем включится маршевый ионный двигатель, которому предстоит непрерывно проработать около 100 лет. Таким образом, крейсерская скорость составит около 1 150 км/сек, но время в пути сократится меньше, чем на 50 лет.
Время разгона примем \(T=100\) лет. Это — реалистичное время, в течение которого должна проработать энергосистема корабля в режиме полной тяги. Для сравнения, радиоизотопные термо-электрогенераторы Вояджеров работают на \(Pu-238\) уже почти 40 лет и их мощность выше 70% от начальной. При этом период полураспада плутония-238 равен 87.7 года.
Однако, радиоизотопные источники не способны обеспечить нужную электрическую мощность (ниже мы увидим, что она имеет порядок 350 МВт). Для сравнения, на Вояджерах мощность энергоустановки около 500 Вт. Для выработки 350 МВт потребуются тысячи тонн плутония! И это — без общей массы огромного числа термопар. По-видимому, такой способ получения энергии нельзя считать реалистичным.
Ядерный реактор подходит больше, хотя крайне сложно добиться его непрерывной работы в замкнутом цикле в течение века. Здесь ведь нужно решать проблему периодической замены ТВЭЛов, а также постепенного «отравления» активной зоны реактора. Но можно предположить, что 100 лет безотказной работы реактора с турбоустановкой технически достижимы. Тогда импульс струи, выбрасываемой из сопла за 1 сек, грубо оценим, как
\(p_0=(p_s+p_f/2)/T=654\) кг*м/сек,
где \(p_s=1.1\cdot 10^{12}\) — конечный импульс зонда и \(p_f=1.93\cdot 10^{12}\) — импульс 1 750 тонн рабочего тела при скорости 1 100 км/сек (так мы учитываем импульс рабочего тела, приобретаемый им до вылета из двигателя в виде плазмы).
Отсюда массовый расход рабочего тела (ионизированный неон) \(\mu=p_0/u=0.654\) грамма/сек. Умножая это число на \(T=3.154\cdot 10^9\) сек (= 1 век, считая все годы по 365 дней), получим 2 060 тонн, что несколько больше предполагаемых 1 750 тонн, поскольку оценка времени разгона была довольно грубой. Одновременно мы видим, что эта погрешность незначительна, поэтому реальное время разгона будет несущественно отличаться от 100 лет (может быть 110 или 90 лет, к примеру).
Считая неоновую плазму однократно ионизированной (однозарядные ионы), получим силу тока в струе ионов до их нейтрализации на выходе из «сопла»:
\(I=\frac{\mu e}{20\cdot m_0}=3130\) Aмпер,
где \(m_0\) — масса и \(e\) — заряд протона. Поскольку для разгона ионов до 1 000 км/сек потребуется поле с напряжением \(U\approx 100\) килоВольт, мощность системы разгона плазменной струи \(N=IU=313\) MBт.
Здесь не учитываются тепловые потери в цепи ионного двигателя, по которой будет протекать ток в 3 килоАмпер, а также затраты энергии на ионизацию рабочего тела (хотя последние, наверное, будут сравнительно малы).
Таким образом, можно оценить снизу электрическую мощность энергоустановки в 350 МВт. Потребуется весьма мощный турбоагрегат, сравнимый с энергоблоком АЭС! Удастся ли поддерживать его непрерывную работу около века при массе зонда в 1 000 тонн? — это большой вопрос. Но выглядит все это, тем не менее, не фантастически.
Никакой возможности затормозить у такого зонда не будет. А без этого нет смысла ждать его прибытия 1 250 лет! Чтобы иметь возможность торможения для выхода на орбиту в системе Альфа-Центавра, нужно увеличить стартовую массу до порядка 10 000 тонн как минимум. Такой корабль с тягой ионных двигателей в несколько кгс должен быть собран на околоземной орбите и разогнан до скорости покидания Солнечной системы в направлении Альфа-Центавра (\(\Delta V\approx 27\) км/сек) с помощью, например, ядерного импульсного двигателя типа Ориона.






Некоторые бродяги утверждают, что далеко за пределом Нашей Большой Пустыни существуют огромные зеленые страны и водятся там много разных зверей, и вода падает с неба. Не верьте им, ибо откуда они могли такое знать. Чтобы пересечь Пустыню, надо караван верблюдов и запас пищи и воды на долгое время. Если предположить, что мифическая страна находится в 10000 днях ходу, то надо сто тысяч верблюдов, чтобы они везли воду и пищу для десяти тысяч верблюдов, которые понесут воду и пищу для следующей ступени тысячи верблюдов, а эти снабдят водой нескольких верблюдов, которые и дошли бы до мифической страны. За все время существования нашего племени даже у самого богатого бая не было стольких верблюдов, а потому всякие россказни о путешествиях в мифические страны являются наглой ложью.
Фантазировать никому не возбраняется. Однако эта статься для тех, кто способен воспринимать научные аргументы. Если Вам больше нечем возразить, то мне нечего на это отвечать. Существует много сайтов для любителей сказок ))
Я полагаю Alexandr намекал на то, что с верблюдами что то не так и поэтому нужно искать ковер самолет.
Возможно так ). Однако с ковром пока проблема. Не ясно, как его сделать даже в принципе.
Браво, Александр!
В последние двое суток статья вызывает большой интерес. Спасибо и, без ложной скромности, она этого стоит )) Однако, на сайте есть много других, оригинальных публикаций, посвященных проблеме межзвездного полета. Они не слишком утешительны, но объективны. Одно время мне казалось, что дотянуться до ближайших звезд все-таки можно, используя известные сегодня технологии. Но после долгих размышлений стало ясно, что ничего не выйдет. Статьи в какой-то мере отражают эти поиски (одна из них написана не мной):
http://extremal-mechanics.org/archives/442
http://extremal-mechanics.org/archives/675
http://extremal-mechanics.org/archives/709
http://extremal-mechanics.org/archives/714
http://extremal-mechanics.org/archives/1428
http://extremal-mechanics.org/archives/1471
http://extremal-mechanics.org/archives/1716
http://extremal-mechanics.org/archives/12256
http://extremal-mechanics.org/archives/14369
На главной странице (справа внизу) дан полный список публикаций http://extremal-mechanics.org/.
Приятного чтения.
Да, уважаемые коллеги! И на мой взгляд, нам следует быть реалистами. И, прежде всего, решать вопросы, соответствующие нынешнему техническому развитию цивилизации. Максимум, на что люди способны сейчас — сделать буксир с ЯРД для межпланетных перелётов. При этом для пилотируемой космонавтики требуется ещё создать, в первую очередь, надёжную радиационную защиту. Если это будет сделано, то и в Солнечной системе работы для исследователей (автоматами и пилотируемыми миссиями) с избытком хватит, как минимум, лет на 100, если не на все 200. Параллельно учёные и конструкторы, разумеется, пусть трудятся над перспективными двигателями для межзвёздных перелётов. Мало ли какие открытия состоятся за следующие два века! Поэтому не надо сейчас пытаться перепрыгнуть сразу в 23-й век: рано, господа, рано! Это всё равно что в начале 19-го века кто-нибудь всерьёз бы стал рассуждать о том, чтобы отправиться в космос при помощи двигателя на основе парового котла. Всему своё время! Мечтать надо, конечно, работать на перспективу тоже надо, но, повторяю, следует быть трезвыми реалистами. Альфа Центавра! Давайте хотя бы до Марса сначала всерьёз доберёмся, Луну как положено исследуем. Не забывайте: скоро исполнится уже 60 лет, как был запущен первый ИСЗ. А мы ещё топчемся в основном на орбите Земли, ну, несколько раз на Луну слетали. Вот на комету с трудом Фильку посадили, да и то не вполне удачно. Автоматами слегка исследуем системы Юпитера и Сатурна. Но сколько на это денег уходит и сколько лет!.. Реализм и ещё раз — реализм!
Не вижу противоречия. Можно быть реалистом и иногда мечтать. Человек не может не думать о звездах. Иначе, возможно, он не был бы человеком ))
Садись, два. На орбите Земли может быть только сама Земля.
Думаю все проблемы происходят от первоначальной предпосылки о необходимости транспортировать хрупкое человеческое тело к соседней звезде. Жизнь по своей природе — информационное явление. Возможно для межзвездных сообщений нужно использовать подходы в передаче информации, а не материи. Но пока это всё философия.
Разумно. Но довольно сложно передать информацию о человеке, не уничтожив его личность. То есть, даже если Вы сможете скопировать внутренний мир человека в мозгу андроида, передав всю информацию по радиоканалу, то в результате будет получена ДРУГАЯ личность. Тот человек, который был на Земле, на ней же и останется ))
Комментарии проходят премодерацию, поэтому сразу не отображаются. Это неудобно, но приходится пока блокировать любителей нагадить. Любой адекватный комментрий будет опубликован, хотя возможно с некоторой паузой.
если человечество когда нибудь обуздает термоядерный синтез тогда мы сможем заселить планеты в нашей солнечной ситеме, энергии будет просто завались)
Да, термоядерный синтез — это единственный, мыслимый сегодня способ дотянуться до ближайших звезд. О более далеких даже говорить нет смысла. Но с управляемым термоядом перспектива мутная … больше, чем 60 лет. Даже если удастся запустить промышленный реактор вроде ИТЭР лет этак через 20, то для двигательной установки он не годится в принципе. Слишком низкая плотность энергии, грубо говоря. Там плазма с плотностью в миллион раз меньше атмосферного воздуха. Нужно дополнительно рабочее тело для разогрева в реакторе, а это съест все преимущества термоядерного синтеза в отношении выхода энергии на единицу массы топлива.
знаете я вот думаю если будет реально работающий термояд даже пусть его нельзяя впихнуть в межпланетный корабль, я буду вполне доволен если человечество сможет построить его где нибудь хоть на плутоне. если будет вода которую можно пить и которую можно переработать в водород для энергоустановки, ну а как потратить энергию для благоустроства жизни думаю разберемся)
Если промышленный реактор когда-нибудь заработает, то он будет использовать не водород, а дейтерид лития-6, как в бомбе )) На чистом дейтерии зажечь синтез во много раз сложнее. На чистой воде вообще не получится. Но я почти не верю в токамаковые проекты. Две главных проблемы, возможно, так и не будут решены.
1) устойчивость плазменного шнура
2) стабильность конструкционных материалов под нейтронным дождем
Последний будет во много раз более интенсивным, чем в существующих АЭС. Возможно, что стелларатор в отношении проблемы 1) более перспективен. Но проблема 2) остается.
Помоему Space Odyssey черезчур пессемистичен. во-первых: для начала нужно покорить всю нашу солнечную систему, а это не так и сложно при большом желании и создании космического коробля по подобию МКС (строить сеьезный корабль всем человечеством) во-вторых: какие 60 лет, о чем вы?? первые эксперименты начнутся уже через 5 лет в 2020 году, а там еще лет через 10 году так к 30-му уже можно будет собирать термодяер в космосе в качестве источника питания корабля… все к этому идет.. через 15 лет мир круто измениться и не надо тут говорить, что это фантастика… 30 лет назад вас бы отправили в психушку, если бы вы начали расказывать возможности современных смартфонов, хотя даже в 80 СССР смог отправить полностью автоматический полет Бурана в космос и обратно, с теми допотопотными технологиями, страшно подумать, что будет в будущем
Во-первых, что надо и «не надо тут говорить» я решу сам ))
Во-вторых никто меня в психушку 30 лет назад не отправил бы, т.к. тогда уже существовали персональные компьютеры, не говоря о микрокалькуляторах.
В третьих, откуда вы взяли, что все идет к термоядерному двигателю к 30-му году?. Ничего к этому пока не идет, хотя трескотни в масс-медиа много. То же самое ощущение витало в воздухе в 70-х. Что вот еще немножко, еще чуть-чуть )) А между тем история термоядерного реактора затягивается и я пока не вижу оснований для Вашего оптимизма. В том числе нет серьезных оснований, связанных с ITER. Даже энтузиасты этого проекта предсказывают промышленное производство термоядерной энергии не раньше 2050 года http://extremal-mechanics.org/archives/12614. А ведь поднять реактор в космос еще труднее.
И наконец … статья о плазменных двигателях, а не о ракетном движении вообще. Если у Вас есть возражения по ее научно-технической сути, то поделитесь пожалуйста. А просто писать оптимистические лозунги … можно конечно. Но такую свою напористую убежденность желательно подкреплять аргументами.
. .
.
В статье перемешаны ионные и плазменные двигатели.
Последний двигатель это просто импульсный ионник.
Не понятно зачем постоянно производятся оценки времени для полёта к ближайшей звезде.
Плазаменный двигатель в статье один самый обычной схемы, который почему то называется вазимр. Вазимр это самый обычный плазменный двиг переменной тяги и всё, причём первые образцы таких двигателей созданы ещё в 70-е годы в СССР и США.
Автор не привёл больше никаких других вариантов плазменных двигатель, не рассказал о сложностях и т.д.
Не перемешаны, а рассмотрены в рамках единой концепции, предполагающей использование плазменной струи для создания тяги. Надеюсь нет возражений, что из ионного двигателя истекает плазма с высокой степенью ионизации? Кроме того, четкой границы между ионным и плазменным двигателем нет, о чем прямо сказано в статье.
Если Вам что-то не понятно, то не нужно писать об этом, как о недостатке статьи )) Объясняю: прогнозы времени приводятся для оценки возможностей двигателя с точки зрения межзвездных полетов. Это — ключевой вопрос статьи.
Насчет «васимра»…это не я его так назвал. То, что он «самый обычный» — спорить не буду. Но вокруг него создан определенный ажиотаж, поэтому я уделил ему внимание. Вообще, целью статьи не был анализ всех возможных концептов и истории вопроса. Цель — показать, что плазменные двигатели (включая ионные, как разновидность плазменных) не годятся для межзвездных полетов и вообще в качестве маршевых двигателей для космических ракет.
Если Вам захотелось хоть к чему-нибудь придраться, то Вы это сделали. В другой раз потрудитесь написать содержательное, критическое замечание, если оно есть.
Может просто не там ищем?не так давно венцом творения человека были мечи и доспехи,как вдруг само понятие о технологии…
К чему приведут труды роботов исследующих сатурн и юпитер?к ответам как слетать к альфа центавре?врядли,а вот к колоссальным затратам легко,для начала навести бы порядок на нашей планете,всерьез пытаться преодолеть расстояние до соседней звезды с теми технологиями что имеем на данный момент-глупо,ВСЕМУ СВОЕ ВРЕМЯ товарищи,а пока давайте духовно расти)…
Человечество духовно растет в процессе движения к великой цели. Без этого деградирует и превращается в стадо потребляющих скотов. Фильм «Интерстеллар» очень хорош с этой точки зрения http://extremal-mechanics.org/archives/15798 ))
Последнее предложение данной статьи является неверным. Одно время я думал, что принцип «Ориона» имеет перспективу развития для целей межзвездного полета, но, как выяснилось, это не так. Никакого реалистичного принципа пока не видно. Статья на эту тему http://extremal-mechanics.org/archives/12256.
я видел корабли и дома будущего
Бывает.
🙂
А теперь серьезно. Кто ждет вас на Альфа Центавре? И что вы там хотите найти? Вы все тайны нашей планеты уже разгадали? И вам здесь уже просто скучно? Или вы желаете чтобы вам выделили деньги на ваш утопический проект? Вам мало этого ненужного дорогущего коллайдера? Какую пользу принес этот имитатор «Большого взрыва»? На Земле есть множество интереснейших загадок, которые ждут настоящих исследователей, а не путешественников в «никуда». Придумайте что-нибудь полезное.
По моему есть в НАСА запись восклицания Армстронга, когда он ступил и прошел по Луне: «Они уже здесь!» Не расшифровывается кого он имел ввиду, но можно догадаться.
Нам рано еще куда то летать дальше нашей планеты. Нам еще нужно взрослеть и умнеть
А без личностных наскоков Вы умеете обсуждать отвлеченные вопросы? Какие еще мои утопические проекты? Для начала статью прочитайте, прежде чем критиковать. Она не дает ни малейших оснований для Ваших пафосных упреков.
Что касается Альфы Центавра, то люди всегда смотрели на звездное небо. Если бы они этого не делали и изучали только матушку Землю, как Вы призываете, то, скорее всего, так и остались бы животными, собирающими фрукты и подбирающими падаль. Пуанкаре как-то заметил, что не будь звездного неба над головами людей, они были бы совершенно другими существами.
На мой взгляд, статья подтверждает то, что обычным, так сказать линейным, перемещением в космическом пространстве, достичь других звёздных систем не имеет смысла, даже при перемещении с субсветовой скоростью. Следовательно необходимо искать совершенно иные способы перемещения («кротовые норы» и т.п.). Для этого и пригодятся, для начала, коллайдеры.
Есть даже подозрение, что человечество обречено всегда только смотреть на звезды. Они останутся как бы «вещью в себе» — принципально недоступными объектами. Хотя если бы удалось укротить термоядерный синтез, то до ближайших звезд получилось бы долететь … лет за 50 — 100. Но не факт, что синтез когда-нибудь удастся приручить.
Что касается кротовых нор, то далеко не факт, что они существуют. А если существуют, то залезть в эту нору будет невозможно. Статья на эту тему http://extremal-mechanics.org/archives/19991 .
Поправлю автора статьи, Сила в 1 ньютон сравнима с силой тяжести 100 грамм, а не 10. И многие расчёты в связи с этим надо исправить.
Спасибо, хотя я в курсе. Это — опечатка (2-й абзац после рисунка с функциональной схемой «классического» ионного двигателя»).
Никакие расчеты в связи с этим поправлять не нужно, т.к. сила нигде не измеряется в граммах или килограммах. Только в ньютонах! 10 грамм указаны в качестве аналогии для тех, кто не помнит, что такое ньютон. Нолик потерян, верно. Но Вы поторопились с заявлением о необходимости что-либо менять. Я даже опечатку это оставляю, чтобы комментарий не повис.
немного бреда. За движущейся ракетой тянется столб отработанного рабочего тела
возникает вопрос — а нельзя ли как то организовать его повторное использование?
вдруг существует неизвестный пока механизм, позволяющий стянуть его в узкую струю.
Тогда можно представить себе цепочку ракет, каждая из которых использует выхлоп предыдущей ракеты (например разгоняет ионы)
Не совсем бред, но зачем? Если выхлоп ракеты содержит несгоревшее топливо или окислитель, то следует просто повысить эффективность сгорания. Что касается ионов, то при температуре горения химического топлива их будет мало. Кроме того, ионный двигатель в принципе не может дать серьезной тяги.
На мой взгляд единственное, реальное направление в ракетных двигателях — ядерные с теплоносителем. Твердофазная схема глубоко проработана в 60-х и 70-х прошлого века. Потом забросили, а зря.
А почему не электронная пушка? При массе корабля 1000 т. и ускорении 1 м/сек скорости 10000 км/сек он достигнет примерно за три года. При этом масса корабля не изменится, т.к. электроны берутся из космической плазмы. И не требуется никакого разделения. Ток, конечно, порядка 10 Гига-ампер, но к космосе можно использовать сверхпроводники.
Как оказывается все просто )) Во-первых, почему не требуется разделения? Попробуйте отделить электроны от плазмы и очень скоро почувствуете, что плазма отдавать их не хочет. Во-вторых, прикиньте для начала, сколько электронов можно получить из космической плазмы, даже если не учитывать вышеуказанную трудность. В третьих, откуда ток такой возьмете? Сверхпроводник сам по себе ток не создает. Да и не удержится сверхпроводящее состояние, если такой ток в нем наведете. Ну и … пока не видно конкретной, технической идеи. Только общие слова.
Не требуется разделения зарядов внутри космического корабля. Разгоняясь за счет электронов, корабль становится положительно заряженным. Электроны космической плазмы притягиваются. Масса корабля остается неизменной. Ток создает электронная пушка. Катод порядка 40 метров в диаметре в импульсном режиме. Для сверхпроводящего состояния нужна температура и площадь поперечного сечения. Техническую идею можно модифицировать. Например, вместо электронов использовать заряженные наночастицы. Если их разогнать до десятой доли скорости электронов, то характеристики улучшатся. При массе наночастицы 10-17 г, ток упадет до одного ампера. Масса корабля будет уменьшаться и расчет скорости надо производить по формуле Циолковского.При начальной массе 1000 т вернется назад порядка 500 т.
Не требуется разделения зарядов внутри космического корабля. Разгоняясь за счет электронов, т.е. выбрасывая их в космос, корабль становится положительно заряженным. Электроны космической плазмы притягиваются, а ионы отталкиваются. Электронов надо ровно столько, сколько уходит через пушку. Порядка 10 г/сек. Пришедшие электроны восстанавливают значение массы. Именно поэтому, масса корабля остается неизменной. Ток создает электронная пушка за счет разности потенциалов. Площадь катода, при современных технических параметрах, порядка десятой доли кв. км. в непрерывном режиме работы или порядка 40 метров в диаметре в импульсном режиме. Для удержания сверхпроводящего состояния нужна соответствующая температура и требуемая площадь поперечного сечения сверхпроводника. И то, и другое в космосе легко реализуется.
Сказанное, несомненно, является технической идеей. Её можно легко модифицировать. Например, вместо электронов использовать заряженные наночастицы. Если их разогнать хотя бы до десятой доли скорости электронов, то все характеристики существенно улучшатся. При массе наночастицы порядка 10-17 г, ток упадет примерно до одного ампера. Сверхпроводимость станет ненужной. Масса корабля, конечно, будет уменьшаться (массой электронов можно пренебречь) и расчет конечной скорости надо производить по формуле Циолковского с учетом заданной массы корабля после разгона и торможения. Если начальная масса 1000 т, то после разгона и торможения масса станет порядка 800 т. После повторного разгона и торможения при возвращении масса станет порядка 600 т.
Судя по этому описанию, предлагается вариант электрореактивного двигателя с подпиткой электронами из космоса. Если вам действительно хватит 10 г/сек, то столько вы из космоса не получите. Этому соответствует около 20 кг плазмы в сек! Где столько соберете?
Но дело даже не в этом, а именно в разделении разноименных зарядов, которого вы считаете возможным избежать. Без разделения нельзя сообщить кораблю импульс в одну сторону за счет выброса электронов, не сообщая ему ровно такого же импульса в обратном направлении за счет выброса ионов. Разгоняющее поле действует на заряды разных знаков с равными, но противонаправленными силами! Об этом собственно написано в статье и это — главная проблема всех ионных, плазменных, электрореактивных и т.п. двигателей. Ваша идея ее не решает, насколько я могу судить.
Собирать и разделять плазму нет необходимости, т.к. заряженное тело само по себе притягивает только заряды противоположного знака. В пушке разгоняются только отрицательно заряженные частицы, т.к. положительно заряженных частиц там просто нет. Поэтому нет импульса в противоположном направлении. Необходимый расход электронов, при использовании наночастиц, 10-9 г/сек. Это снимает проблему получения электронов из космоса. Космос, в данном случае, играет роль «земли» обычной земной электрической цепи. Через космос электрическая цепь «космос-корабль-пушка-космос» замыкается.
Я понял, что именно вы предлагаете. Если вы поместили положительно заряженный корабль в достаточно плотную плазму (чтобы создать ощутимую тягу), то очень быстро этот поверхностный заряд нейтрализуется. А с поверхности корабля что заставит электроны дрейфовать вовнутрь? Вы просто сделайте численные оценки этого процесса. Тогда и видно будет, есть ли в этом что-то или нет. Красивая идея, но вряд ли она работоспособна ))
Корабль изначально электрически нейтрален. Положительный потенциал он приобретает по мере ухода отрицательно заряженных частиц. Отрицательно же заряженные частицы появляются в результате их эмиссии с поверхности катода в случае электронов или устройства для получения заряженных наночастиц и их распределения по заданной поверхности (назовем эту поверхность катодом). Пушка находится в вакууме. Поэтому, в объеме пушки находится не плазма, а пучок разгоняющихся отрицательно заряженных частиц вещества, пролетающая совокупность которых в единицу времени определяет ток пушки. Из-за того, что отрицательно заряженные частицы выбрасываются в космос, корабль (корпус корабля) как будто бы заряжается положительно. В действительности корпус не заряжается, а уменьшается плотность свободных электронов в металле корпуса корабля. Т.е. изменяется потенциал корпуса по отношению к потенциалу окружающего космоса. Потенциал становится положительным по отношению к окружающему космосу. Электроны электро-нейтральной космической плазмы притягиваются к корпусу корабля. Возникает ток. Корпус корабля – проводник. Движение электронов в корпусе корабля определяется не потенциалом, который для всего проводника примерно одинаков, а только разностью потенциалов между поверхностью корпуса и катодом пушки из-за сопротивления материала корпуса и величины тока протекающего в корпусе корабля от поверхности к катоду пушки. Внешний ток от космической плазмы и ток в корпусе замыкает электрическую цепь тока пушки. Потенциал же корпуса корабля устанавливается в некоторое равновесное значение в зависимости от плотности космической плазмы протекающего тока.
Если вы считаете возможным зарядить корабль за счет выброса электронов, значит вы снова допускаете возможность эффективного разделения разноименных зарядов. Удаляющийся электрон испытывает кулоновское притягивание обратно. Таким образом он тормозит корабль после того, как придал ему импульс. Если где-то «бесконечно далеко» электрон остановится (в системе отсчета, связанной допустим с Солнцем), то в силу закона сохранения импульса это будет означать, что и корабль потерял тот импульс, который приобрел от электрона. Уход последнего в «точку остановки» произойдет очень быстро. В ионных двигателях эту проблему решают за счет нейтрализации вылетающих ионов. На выходе из сопла они рекомбинируют с теми электронами, которых лишились при ионизации.
Таким образом, чтобы ускоряться за счет выброса одноименных зарядов необходимо придать им достаточно большую скорость. Для этого потенциал заряженного корабля должен быть меньше разности потенциалов, на которой разгоняются электроны. Допустим, что вы разогнали их в поле с напряжением 1 млн. Вольт. Считая корабль шаром с радиусом в несколько метров получим, что заряд на его внешней поверхности не должен превышать порядка одного миллиКулона. Это — очень большой заряд! Но энергия, которую приобретут при разгоне электроны, покинувшие корабль, будет малой — порядка 1 КДж. Импульс, который он от них приобретет, окажется совсем ничтожным.
Нужно очень часто повторять такие «циклы», чтобы иметь ощутимую тягу. Космической плазмы хватит? Мне показалась красивой ваша идея каким-то образом организовать направленное ускорение электронов плазмы, протекающих через слегка заряженный корабль. Но, как мне кажется, она не работоспособна. Если вам эта тема интересна, то следует сделать численные оценки, потому что обсуждение на пальцах себя уже исчерпало.
Новая статья на тему межпланетных путешествий http://extremal-mechanics.org/archives/22067
Если бы изобретатели данных плазменных двигателей понимали, что нужен не выброс плазмы из сопел для разгона ракеты, а на оборот, механизм преобразования из электрической энергии в плазменную энергию с сохранением плазмы вокруг механизма и небольшой передачи этой плазмы на поверхность летательного объекта. Тогда ваш летательный объект будет весить 0, а движение в пространстве на сверх скоростях будет запредельная. При таком механизме пилот летательного объекта не будет ощущать перегрузки и всякие метаморфозы в внутренней части объекта.
И за счет чего же он будет двигаться?
Один из читателей сайта оставил в разделе «отзывы» следующий комментарий.
Сложнее устройство ионного двигателя — обиднее расставаться с рабочим телом. При движении по кругу плазма, с одной стороны, будет отталкиваться двигателем, с другой — подталкивать двигатель. Не надо пытаться остановить плазму — лишь притормозить. И опять разогнать. Импульсы вместо постоянной тяги.
В связи с этим прошу высказываться непосредственно под статьями, т.к. раздел «отзывы» читателям не виден. Что касается сути этого комментария, то я его не понимаю. Может быть автор пояснит свою мысль?
Ну, это как-бы замечание плотника на статью в стенгазете, в конторе на стене висящей. Принцип маятника. Возьмите колесо велосипеда, прикрепите к ободу кирпич. Толкаете кирпич — отталкиваетесь от него, кирпич полкруга прокрутится, толкнёт препятствие в том же направлении. Вместо одного импульса получите два, оба — в одном и том же направлении.
А плазму, значит, толкаете, как обычно, только не улетучиваете её в космос, но по магнитному тоннелю кругом пускаете. А как полкруга проедет, так вы её магнитным полем подтормаживаете — так, чтобы и импульс в нужную сторону получить, и с доставкой плазмы на следующий круг не заморачиваться, ибо сама долетит.
Тут, ведь, какое дело. И высокая температура выхлопа, и конструкционная сложность — всё это с лихвой оправдывается уникальной проблемой невосполнимости запаса рабочего тела. Хотя некоторые товарищи пишут, дескать, по пути можно рассеянным водородом из открытого космоса дозаправляться.
И кстати, ежели не от Солнца электричеством, то как приводить в движение сам плазменный двигатель, э? Чот я не понял, сорри.
Любопытно, но противоречит закону сохранения импульса (замкнутая система разгоняется, ничего не выбрасывая наружу). Так что работать не будет. Суть в том, что импульс, который двигатель получит описанным Вами способом, компенсируется тем импульсом, который получат стенки канала в процессе поворота плазменного потока.
Рассеянным водородом из космоса питаться не получится, там всего 1 атом на куб. см в среднем. Можете сами прикинуть, какой нужен «совок», чтобы собирать эти атомы. Идея Бассарда наивна и неосуществима, к слову сказать. Вопрос не понял. В том виде, как он задан, выглядит бессмысленным (нужен контекст).
Закон сохранения импульса — вот ведь, и такой есть. Не, мил человек, мы, плотники, законов не знаем, обучены самым простым принципам; из них, принцип рычага — первейший, ибо древнейший. За ним идёт принцип маятника — тоже понятие, в работе полезное. Ну, и принцип колеса, бывает, усваиваем, ежели не пьянствуем да на тележку самоходную денежку соберём. В этом деле принцип жены со скалкой помогает 😉
Ну, нельзя — значит, нельзя, прошу прощения за беспокойство господина учёного. Сим позвольте откланяться,
Александр Шпак, тунеядец.
Я пояснил, почему Ваша идея ошибочна, хотя и остроумна. Не только ссылкой на закон сохранения импульса. Могу доказать это расчетом.
Пусть шарик, двигаясь в гладкой изнутри трубе, получает импульс $$latex mv$$ и затем, следуя повороту трубы, меняет направление движения на противоположное. По Вашей мысли, если после этого его остановить, то устройство, которое сначала разогнало, а потом остановило шарик, получит импульс $$latex 2mv$$. В этом Вы видите способ создания тяги. Упомянутое устройство действительно получит такой импульс, но тяги не будет, т.к. такой же импульс, но в обратную сторону получит изогнутая труба, в которой катился шарик. Поэтому импульс двигателя в целом не изменится в согласии с законом сохранения импульса, по поводу которого Вы захотели попаясничать 🙂
В самом деле, пусть $$latex \varphi$$ — угол, который радиус-вектор шарика (из центра поворота) образует с направлением его начального импульса, которое мы примем за направление оси X (тогда $$latex -\pi/2\leq \varphi\leq \pi/2$$). Перемещение шарика из положения $$latex \varphi$$ в положение $$latex \varphi+d\varphi$$ длится $$latex dt=Rd\varphi/v$$ сек, где $$latex R$$ — радиус поворота. Под действием центростремительной силы $$latex mv^2/R$$ (реакция стенки трубы) шарик за это время получит импульс $$latex mv^2/R\cdot dt=mvd\varphi$$. Ровно такой же импульс получит и труба, но в обратную сторону. Проекция приращения импульса трубы на ось X равна $$latex dp_x=mv\cos\varphi\cdot d\varphi$$. Следовательно, полное изменение X — проекции импульса трубы
$$latex \Delta p_x=\int_{-\pi/2}^{\pi/2}mv\cos\varphi\cdot d\varphi=2mv$$ , что и требовалось доказать.
Что то все ваши ионные и плазменные двигатели похожи на одну штуку.Называется кинескоп. Так если дальше идти в этом направлении ,точно увидишь цветную картинку. Может вспомнить правило левой руки, где магнитно силовые линии входят в ладонь ит.д…
«Моих» здесь нет — я не изобретал ни плазменных ни ионных двигателей. Их придумали без моего участия. Правило левой руки запомнил в школе и с тех пор не забывал ни разу. Вы что сказать хотели по существу?
Есть гипотетическая возможность добраться до другой звезды.
Через 1.4 млн. лет звезда Глизе 710 будет находится от Солнца на расстоянии 0.3-0,6 светового года (в 10 раз ближе альфы Центавра) Вот тогда то и можно перескочить к этой звезде с какого нибудь занептунного планетоида пояса Койпера..
Заманчивая перспектива )) Хотя даже такое расстояние преодолеть будет не просто. На скорости 1 000 км/сек, достичь которую пока не видно никакой возможности, на это уйдет больше века.
По наиболее оптимистической оценке эта звезда может приблизиться к Солнцу на 0,1 светового года. (из википедии)
А ещё. Может и не придётся ждать 1,4 млн. лет. Вероятно в межзвёздном пространстве находятся кочующие планеты гравитационно не связанные со звёздами. Если такая кочующая планета подойдёт близко к Солнцу, на ней можно основать автономную колонию и путешествовать дальше.
Для обнаружения таких планет нужны очень мощные телескопы, размещённые в космосе.
0,1 светового года — это обнадеживает )) При скоростях, которые в принципе достижимы в наше время — 100 км/сек для ракеты с ядерным, импульсным двигателем типа «Орион» (проект начала 60-х) — потребуются сотни лет. С кочующей планетой интересно, но если какая-нибудь и забредет однажды в Солнечную систему, то вряд ли за много миллионов лет после этого она сблизится еще хоть с одной звездой. И опять же — скорость такого путешествия будет слишком мала.
Лучше уж построить огромный звездолет, ядерными взрывами разогнать его до тех же 100 км/сек или побольше, и пусть себе летит, сменяя экипажи поколение за поколением в течении тысяч лет. Вот только с морально-этической точки зрения это был бы очень спорный проект. Чем мотивировать людей, родившихся в таком звездолете, прожить всю жизнь и умереть в нем, не увидев ничего, кроме такого технократического, ограниченного мира? Интересная и волнующая тема )) В фильме «Пассажиры» она отчасти раскрывается, но, как часто бывает в кино, полностью нереалистично. Та девушка, которую он разбудил из гипернации за 90 с чем-то лет до прибытия к цели, никогда бы этого не простила и не стала рожать детей, обреченных жить и умереть в звездолете. Хотя хороший фильм ))
Чем мотивировать?
Ой, да я охотно улетел бы из путинской России хоть к созвездию Центавра, хоть к любому иному. Вопрос в другом: а есть ли какие-то ещё мотивы, кроме бегства из путинского «рая», чтобы лететь так далеко? Сильно ли эта затея отличается по смыслу от обывательского праздного любопытства по поводу «пришельцев» и контактов с ними?
Не уверен.
Инопланетяне почему-то никак не обнаруживаются. Отсюда вывод: или их нет вообще, или мы им неинтересны настолько, что контактировать с нами они не желают. В первом случае мы прилетим в никуда, во втором нас просто уничтожат или сделают подопытными кроликами.
Есть и третья возможность — они на том же уровне развития, что и мы, или ещё ниже, поэтому ничем себя проявить в космических масштабах не могут. Обнаружить это было бы очень горьким разочарованием.
Вы бы улетели, я возможно тоже, но речь идет о будущих поколениях экипажа )) Человечеству нужна объединяющая идея, иначе поубиваем друг друга скоро. Именно для этого в Штатах создали организацию 100-Years Star Ship http://extremal-mechanics.org/archives/442. Инопланетяне несомненно есть. Это особенно ясно сегодня, когда открыты сотни экзопланет, в том числе куча землеподобных. У Проксимы Центавра и то есть! Просто космические расстояния фатально велики, чтобы налаживать контакты. А сверхцивилизации, если они все же есть, вряд ли интересуются такими, как наша. Я вообще не исключаю, что разумная жизнь обречена зарождаться и умирать вблизи своей звезды, так и не преодолев проклятия межзвездных расстояний. Но люди все равно будут мечтать о этом, пока существуют человечество.
О будущих поколениях, запертых в звездолёте, я как раз не тревожусь. Я слышал, что любое существо воспринимает свою среду обитания как нечто безусловное, если не видело ничего другого, поэтому детям душевные муки первичных родителей будут просто непонятны и не близки.
А вот смысл полёта, вопросы о нём, никуда не денешь, это да. Тем более, что отказаться от миссии, куда-то скрыться, будет невозможно.
Зато какая роскошная обстановка для интроверта — всю жизнь можно посвятить самосовершенствованию, не отвлекаясь на разную чепуху, как на Земле.
Тут рад бы почитать интересную книжку, а надо идти на работу…
Все равно есть что-то отвратительное в том, чтобы производить на свет людей, обреченных на довольно-таки жалкое существование при минимальном выборе судьбы.
А есть ли смысл заниматься самоусовершенствованием в ограниченном обществе, где все занимаются тем же самым? Например, могла бы наука быть интересной в таких условиях? Как профессиональный ученый, я в этом отнюдь не уверен.
На мой взгляд, самосовершенствование только тогда таковым является, когда оно «для себя», а не для внешнего лоска и не для утилитарного использования, хотя последнее не исключается, в виде побочного продукта. Вам же знакомо ощущение, ни чем не сравнимое, когда решена очень трудная задача, когда наконец-то понял то, чего никак не мог осилить до этого? Ну разве это бессмысленно? А ведь ваше открытие, в кавычках или без, так и останется неведомым окружающим, скорее всего. И пусть. Они тут ни при чём вообще.
Вот именно в этом я как раз и не уверен. Удовлетворение от решенной задачи прямо и косвенно связано с оценкой этого окружающими (научным сообществом прежде всего). Фактической или воображаемой. Ученые нуждаются в общении и внешнем одобрении своей работы, какими бы интровертами они не были. Если бы Ньютон — величайший из умов в истории, не страдавший экстравертностью, заранее знал, что его книга «Математические начала натуральной философии» никогда не выйдет в свет, то он никогда ее не написал бы — в этом я уверен. Мастер из романа Булгакова — вымышленный персонаж ))
А речь не обязательно о науке, и не обязательно о её продвижении вперёд (то есть, о деятельности научного сотрудника и необходимом при этом научном обмене и общении). И без того полно вещей, до которых не доходят руки в обычной жизни. Рискну даже сказать, что среднестатистический человек и в себе-то самом не разобрался, потому как некогда ему за делами. И больше того, он необходимости такой не осознаёт. Для многих прямо-таки откровением становится элементарное умение организовать своё рабочее, и не только, время. Это к примеру. Многие живут, не представляя себе, чего они вообще хотят от жизни. И ужасаются, когда жизнь-то уже прошла, можно сказать, а результата не видно.
Да и науку взять — у меня, к примеру, скопилось немало книг по разным областям математики, некоторые из них имеют отношение к моей специальности, пусть и опосредованное, но даже их приходится читать урывками. Я вовсе не претендую на роль исследователя в данном случае, речь о простом изучении уже наработанного другими. Зачем? А интересно. Блажь? Возможно. Ведь и без этого прожить можно. Но интересно же.
Понимаю Вас прекрасно. С возрастом интерес к разнообразным знаниям и осознание их ценности растет, как это ни странно. Но все-таки, если бы человек был лишен всякой возможности получить общественную «награду» за свои усилия, в чем бы она не выражалась, то возможно, что он потерял бы стимул. В повести Хайнлайна «Пасынки Вселенной» показана деградация и архаизация общества корабля поколений. На мой взгляд это больше похоже на правду, чем духовное развитие членов экипажа в условиях вечного полета.
Корабль поколений с морально-этической точки зрения — это нормально. Люди в своей истории совершали куда более спорные и худшие вещи. Но в искусственный корабль поколений я не верю. Для разгона массы в миллиарды тонн даже до небольшой скорости нужна колоссальная энергия.
Фильм Пассажиры совсем недавно случайно посмотрел. Мне понравилось.
Кстати. В межзвёздном пространстве относительно близко от Солнца могут быть планеты не только земного размера, но и немало планет типа Юпитера с лунами и недозвёзд (коричневых карликов) с планетными системами. Но мы их не видим. Объекты очень тусклые, а современные телескопы слишком слабы чтобы их засечь..
Тот факт, что люди совершали худшие вещи, не делает эту вещь хорошей. У Вас, похоже, просто еще не было детей. Поэтому для Вас эта проблема кажется простой. Но представьте себя членом первого экипажа, который сознательно отправился в это (последнее для себя) путешествие. Таких желающих найдется много. Теперь представьте, что Вам необходимо завести ребенка, который будет обречен жить и умереть в этой «стальной банке» пусть и большого размера, общаясь с весьма ограниченным кругом людей. Последнее может быть не так страшно, учитывая историю человечества, но ограниченное пространство на протяжении всей жизни от рождения … И что бы Вы сказали своему ребенку, когда он начнет задавать вопросы? Что его жизнь будет посвящена великой цели, дождаться которой ему не суждено? Здесь нужна какая-то религия, но Вы бы хотели промывать мозги своего ребенку с самого рождения? Я, например, однозначно нет!
У Хайнлайна есть шикарный роман на эту тему «Пасынки Вселенной». Так что не все так просто ))
Масса в миллиарды тонн не обязательна. Это — явный перебор. Для жизни колонии из нескольких сотен человек, я думаю, достаточно было бы десятков миллионов тонн (включая систему жизнеобеспечения на несколько тысяч лет). Для разгона до скорости 100 км/сек теоретически хватило бы нескольких сотен тысяч мегатонных бомб. Вполне осуществимо даже при сегодняшнем уровне развития цивилизации, хотя наработка делящихся материалов займет десятки, если не сотни лет. Такого рода аппарат для полета к Альфе Центавра в свое время рассматривал Фримен Дайсон, хотя он мечтал о существенно большей скорости http://extremal-mechanics.org/archives/12256.
Я не молод. Мне шестой десяток лет. Есть взрослый ребёнок.
У меня есть опыт жизни в замкнутых пространствах. Я как бывший подводник, ходил на стратегических лодках в стандартные боевые службы по 90 суток. Уверен, если запереть экипаж в лодке на один год, у некоторых начнутся серьёзные расстройства психики.
Норма плавания для подводников в 90 суток наверное определена не с потолка, Это видимо гарантийный срок психики обычных молодых мужчин в замкнутом пространстве и мужском коллективе. А то бы государство посылало их на бОльшие сроки.
Специально подготовленные космонавты с устойчивой психикой смогут выдержать 2-3 года в замкнутом пространстве. Но сомневаюсь что они смогут выдержать 20-30 лет.
Значит Вы отлично выглядите ))
В корабле поколений придется лететь всю жизнь. Жизненный объем, конечно, будет очень большим, но не факт, что достаточным для нормальной психики. Если у каждого будет (должна быть) полностью изолированная каюта, то, наверное, люди к такой жизни привыкнут. Проблема с мотивацией для будущих поколений экипажа. Хотя я об этом уже много слов написал.
Ну разве лишь … если все время надеяться и ждать, что корабль поколений нагонит более быстрый звездолет, построенный на Земле благодаря научному прогрессу и посланный вдогонку (идея из в целом слабого, но вначале интересного рассказа «Далекий Центавр»). Это могло бы стать своего рода религией — ожидание прибытия Мессии с далекой Земли. Которая скрасит леденящий ужас вечного полета в пустоте при свете звезд, не приближающихся за всю жизнь нисколько.
Ах, да! Видимо вы увидели в адресе электронной почты моё фото в молодости на паспорт в 25 лет. Приятно выглядеть молодым. Но, увы.
По кораблю поколений есть такая проблема. Машины и оборудование не могут функционировать на протяжении сотен лет. Они износятся и сломаются. Запчасти тоже имеют срок годности. На корабле поколений должна быть целая индустрия (металлургия, машиностроение, электротехника, множество отраслей химической промышленности и т.д), которая могла бы производить запчасти для ремонта машин.
Можно ли сделать запчасти для машин со сроком годности в тысячу лет? Как думаете?
Мне кажется, что запчасти могли бы храниться тысячелетия в подходящих упаковках, минимизирующих взаимную диффузию веществ и химические реакции. Невесомость этому поможет (на корабле не везде будет центробежная гравитация).
моя физика — это школа и первый курс академии, потому я не заучиваю формулы и не продираюсь сквозь тернии.) базового курса хватает понять принцип, какие-то подробности. тем более, что автор пишет именно популярно.
моя детская псих-травма — научно-фантастические романы, которые я нежно люблю до сих пор, читаю, и, увы, перечитываю по-прежнему тех же старых-старых авторов.
пытаюсь время от времени что-то «из новенького»: например, о способах ремонта треснувших зеркал фотонного отражателя после гиперпрыжка в глубоком космосе.) ну, ядерные двигатели они уже отключили.))
спасибо, дмитрий борисович, было очень приятно прочитать.
Спасибо, Кира. Я уже начал перекачивать программы канала sobinews на свой ютуб-канал ))
Все современные ЭРД, имют один изьян. Конструкторы пытаются разделить плазму и потом разгонать ее частички. Что в корне не верно. Уже при разделении должно происходить расширение, а значит и ускорение ионов, за счет отталкивающих силы Кулона. Все эти надстройки в виде доп ускорителей за счет ЭДС. Лишняя сущность в этих двигателях. Погуглите «ФОТОННО ПЛАЗМЕННЫЙ ДВИГАТЕЛЬ»
Как раз об этом сказано в моей статье. Которую Вы, очевидно, не читали, хотя и комментируете. Погуглите сами, если Вам что-то интересно. Мне такие советы не нужны ))